用戶名: 密碼: 忘記密碼
設為首頁 - 黃金展位 -   企業注冊   個人注冊
中國振動機械行業第一網絡媒體
在線咨詢網站客服
我要搜索:
熱門搜索: 振動篩 谷物清選機 破碎機 旋振篩 直線篩 篩網
超聲波振動篩 振動電機 振動給料機 輸送機 粉碎機 提升機
本站首頁 | 我要采購 | 我要銷售 | 電子樣本 | 品牌企業 | 企業招聘 | 振動機械書籍 | 行業人物 | 市場分析 | 行業設備 | 政策法規 | 企業新聞 | 振動機械 | RSS訂閱
過濾篩、粉末過濾篩、液體過濾篩 價格
產品名稱:   過濾篩、粉末過濾篩、液體過濾篩 			 過濾篩、粉末過濾篩、液體過濾篩
價格:  8800元/臺
原價:   9800 元/臺
發布日期:  2025-12-01
 法斯特機械-振動篩輸送機廠家自營官網平臺
聯系人:  孟總
聯系電話:  0373-3516365-801、802 3519169
傳真:  0373-3519169
手機:  13937345447
公司地址:  河南省新鄉市牧野工業園區
郵箱:  xxzdsb@sina.com
過濾篩、粉末過濾篩、液體過濾篩 信息描述

法斯特一家懂篩分的振動篩制造廠家- 源頭實體工廠  13937345447 歡迎蒞臨指導工作!

三次元振動篩分-過濾機|篩粉機|過濾篩(旋振篩、振動篩分機、圓形振動篩、圓盤振動篩、振蕩篩、振篩機、三維振動篩、三元振動篩、振動篩分儀、電動篩分機、電動篩粉機、過濾篩)—新鄉法斯特機械 質量為本 匠心制造、好篩機—法斯特!

    三次元振動篩分·過濾機(俗稱圓形旋振篩)是一種高精度細粉篩分機械,即可單層粉末除雜、也可多層粒度分級、也可固液分離過濾使用,根據自己需要定制層數即可(可分層自由組合拆裝),是性價比高、一機多用的通用篩選設備。其噪音低、效率高,快速換網需3-5分鐘,全封閉結構,適用于粒、粉、粘液等物料的篩分和過濾。旋振篩是由直立式振動電機做激振源,電機上、下兩端安裝有偏心重錘,將電機的旋轉運動轉變為水平、垂直、傾斜的三次元運動,再通過彈簧的減震助振作用把這個三次元運動傳遞給篩面,通過調節上、下兩端的相位角,可以改變物料在篩面上的運動軌跡,以達到常規、精細、粗略篩分、分級、過濾等使用目的。該篩機換網迅速、篩分精度高、密封性好、粉塵不飛揚、液體不漏漿、篩網不堵網、可單層和多層使用、無需地基安裝的圓形振動篩、旋振篩、三次元振動篩分過濾機。

新鄉法斯特機械是國內自產自銷的旋振篩規?;圃鞂嶓w廠家,好的制造工藝和先進的加工設備,面向海內外專業制造、批發三次元振動篩、圓形旋振篩、電動篩。法斯特機械圓形振動篩現貨供應、交貨快、產業化量產、質量之選、價格之選、睿智之選。

三次元振動篩分?過濾機,又名S49-A旋振篩、旋震篩、XZS振動篩、LS震動篩、三元振動篩、三維振動篩、圓形振動篩、圓振篩、電動篩、SUS304不銹鋼振動篩、多層篩分機、篩粉機、振動過濾機、分級篩、振蕩篩、圓盤振動篩、旋轉振動篩等。

三次元振動篩分過濾機/旋振篩多次技術改進,三次元振動篩分過濾機/旋振篩采用新型推薦動力源(振動電機/震動電機),三維動力更加突出,使三次元振動篩分過濾機/旋振篩應用范圍擴展至:不管干的、濕的、精細的、粗糙的、重的、輕的、0~400目都可以篩分,液體的、漿狀的、0~600目都可以過濾。三次元振動篩分過濾機/旋振篩配有清網裝置,堵網幾率降至較低,從而使篩分速度快、篩分精度高,篩分產量大大提高;而且三次元振動篩分過濾機/旋振篩針對行業有專業獨特設計:如加緣式振動篩、閘門式振動篩、強力型振動篩、密封型振動篩等振動篩,同時有多種網架結構設計,讓顧客對法斯特振動篩有更多的選擇。


  

                                     FAST一層加緣式振動篩           FAST一層式篩分過濾機         FAST三層多層式篩分過濾機 
                                           固液分離模擬圖                       單層篩選雜質模擬圖               多層分級篩選模擬圖 

旋振篩 /三次元振動篩分過濾機作用與原理:
  三次元振動篩分過濾機/旋振篩的動力源是振動電機,振動電機轉軸上下端安裝有重錘(不平衡重錘),通過振動電機的旋轉運動在不平衡重錘作用下轉變為水平、垂直、傾斜的三維運動即三次元運動,旋振篩利用振動電機三維運動,通過旋振篩的彈簧和振動體把三維運動傳遞給振動篩網面。通過改變振動電機上下重錘的相位角來實現物料在篩面上的運動軌跡,以此達到篩分、去雜、過濾的目的。


旋振篩/三次元振動篩分過濾機工作特點:
* 篩分精度高,效率高,任何粉、粒、粘液類皆可適用。
* 部件無死角,易有效清洗消毒。
* 新型網架結構,篩網使用壽命有效,換網只需3-5分鐘。
* 可單層、多層篩網使用。
* 體積小不占空間,移動方便,出口可以360度任意調整。
* 與物料接觸部分全部采用不銹鋼制作。
* 物料自動排出,可連續作業。
* 全密閉塵不飛揚,液體不泄露,網目不堵塞,篩分可至500目,過濾可達5μm。
旋振篩/三次元振動篩分過濾機應用行業:
       旋振篩/振動篩行業分類:食品行業推薦旋振篩、化工行業推薦旋振篩、制藥行業推薦旋振篩、陶瓷行業推薦旋振篩、磨料磨具行業推薦旋振篩、冶金行業推薦旋振篩等 
食 品 行 業:面粉、奶粉、淀粉、魚粉、米粉、維生素、調味品、糊精、飲料、果汁、砂糖、醬油、鳳梨汁、酵母液等 
化 工 行 業:油漆、樹脂粉、PVC樹脂粉粒、檸檬酸、聚乙烯粉、洗衣粉等 
制 藥 行 業:醫藥中間體、醫用輔料、中藥粉、中藥液、西藥粉、西藥液等
陶瓷磨料冶金行業:鋁銀漿、泥漿、高嶺土、石英砂、氧化鋁、人造黑鋁、石墨、碳化硅、噴霧土粒、金剛砂、鐵粉、二氧化鈦、電解銅粉等。
 

旋振篩/三次元振動篩分過濾機技術配置表:

型 號功 率(KW)篩面直徑體 積網層數
1SFAST-400-2S3S0.18Φ320mm580×580×560580×580×660580×580×760123
1SFAST-600-2S3S0.55Φ550mm800×800×680800×800×780800×800×880123
1SFAST-800-2S3S0.75Φ750mm900×900×780900×900×930900×900×1080123
1SFAST-1000-2S3S1.47Φ950mm1160×1160×8801160×1160×10301160×1160×1180123
1SFAST-1200-2S3S1.84Φ1150mm1360×1360×9801360×1360×11601360×1360×1360123
1SFAST-1500-2S3S2.2Φ1450mm1850×1850×11301850×1850×13301850×1850×1550123
1SFAST-1800-2S3S3.0Φ1750mm2200×2200×13602200×2200×14602200×2200×1680123


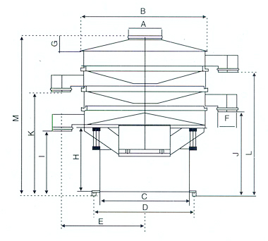
標準旋振篩/三次元振動篩分過濾機尺寸表:

型 號ABCDEFGHIJKLLM
FAST-400-1SΦ150Φ400Φ358Φ408310Φ10075249257367


558
FAST-400-2SΦ150Φ400Φ358Φ408310Φ10075249257367477

668
FAST-600-1SΦ150Φ600Φ426Φ476410Φ10075354362472


668
FAST-600-2SΦ150Φ600Φ426Φ476410Φ10075354362472582

778
FAST-600-3SΦ150Φ600Φ426Φ476410Φ10075354362472582692692886
FAST-800-1SΦ200Φ800Φ580Φ630530Φ125100404412557


798
FAST-800-2SΦ200Φ800Φ580Φ630530Φ125100404412557702

943
FAST-800-3SΦ200Φ800Φ580Φ630530Φ1251004044125577028478471088
FAST-1000-1SΦ250Φ970Φ700Φ750640Φ150120466475620


880
FAST-1000-2SΦ250Φ970Φ700Φ750640Φ150120466475620765

1025
FAST-1000-3SΦ250Φ970Φ700Φ750640Φ1501204664756207659109101170
FAST-1200-1SΦ250Φ1170Φ855Φ920750Φ180140570595760


1045
FAST-1200-2SΦ250Φ1170Φ855Φ920750Φ180140570595760925

1210
FAST-1200-3SΦ250Φ1170Φ855Φ920750Φ180140570595760925109010901375
FAST-1500-1SΦ250Φ1470Φ1050Φ1120960Φ200170530555750


1090
FAST-1500-2SΦ250Φ1470Φ1050Φ1120960Φ200170530555750945

1285
FAST-1500-3SΦ250Φ1470Φ1050Φ1120960Φ200170530555750945114011401480
FAST-1800-1SΦ300Φ1770Φ1360Φ14301030Φ200200618640835


1226
FAST-1800-2SΦ300Φ1770Φ1360Φ14301030Φ2002006186408351030

1420
FAST-1800-3SΦ300Φ1770Φ1360Φ14301030Φ2002006186408351030122512251615


旋振篩/三次元振動篩標準機型篩分面積對照表:

型 號有效直徑有效面積FAST-450FAST-400FAST-600FAST-800FAST-1000FAST-1200FAST-1500FAST-1800
FAST-2002000.05730.410.710.270.140.090.060.040.03
FAST-4504200.138511.720.650.340.220.150.090.06
FAST-4003200.08040.5810.370.200.130.090.050.04
FAST-6005200.21243.71.5310.520.340.230.140.09
FAST-8007200.40722.945.801.9210.650.440.270.18
FAST-10008900.62214.497.742.931.5310.660.410.28
FAST-120010900.93316.7411.604.402.921.5010.610.41
FAST-150013901.517510.9618.877.143.732.441.6310.68
FAST-180016902.243216.2027.9010.565.513.612.401.481

標準型號振動篩現貨供應 、物美價廉、睿智選擇,超市價格廠家直銷,誠征全國各地地市代理商、配套商。

新鄉法斯特 開創中國振動篩分、輸送、壓榨過濾、無塵投料上料新紀元

致力于解決篩分、輸送、壓榨、過濾等技術領域難題

24小時咨詢服務熱線:13937345447   13603736976  孟總  13837347077 郭小姐

聯系電話:0373-3516365(總機)-801、802、803    3519169     圖文傳真:0373-3519169


振動篩規模制造商 外貿振動篩代工基地  振動篩批發制造中心  壓榨脫水機典范制造企業

旋振篩、圓形振動篩、篩粉機、壓榨機、過濾機、輸送機、提升機一條龍生產廠家  

打造無塵篩選、輸送提升行業精工裝備   服務現代工業經濟 ——河南省新鄉市法斯特機械有限公司

以下地市均有用到法斯特機械生產的FAST系列振動篩分設備:

直轄市: 北京 重慶 上海 天津

江蘇?。?揚州、南京、徐州、連云港、宿遷、淮安、鹽城、泰州、南通、鎮江、常州、無錫、蘇州。

遼寧?。?沈陽、大連、朝陽、阜新、鐵嶺、撫順、本溪、遼陽、鞍山、丹東、營口、盤錦、錦州、葫蘆島。

山東?。?濟南、青島、聊城、德州、東營、淄博、濰坊、煙臺、威海、日照、臨沂、棗莊、濟寧、泰安、萊蕪、濱州、菏澤。

陜西?。?西安、延安、銅川、渭南、咸陽、寶雞、漢中、榆林、商洛、

山西?。?太原、大同、朔州、陽泉、長治、晉城、忻州、呂梁、晉中、臨汾、運城。

四川省: 成都 、廣元、綿陽、德陽、南充、廣安、遂寧、內江、樂山、自貢、瀘州、宜賓、攀枝花、巴中、達州、資陽、眉山、雅安 。

云南省: 昆明、曲靖、玉溪、麗江、昭通、思茅、臨滄、保山。

浙江?。?杭州、寧波 、湖州、嘉興、舟山、紹興、衢州、金華、臺州、溫州、麗水。安徽: 合肥、宿州、淮北、阜陽、蚌埠、淮南、滁州、馬鞍山、蕪湖、銅陵、安慶、黃山、六安、巢湖、池州、宣城、亳州。

福建?。?廈門、福州、南平、三明、莆田、泉州、漳州、龍巖、寧德。

甘肅?。?蘭州、嘉峪關、金昌、白銀、天水、酒泉、慶陽、平涼、定西、隴南。

廣東省: 廣州、深圳、清遠、韶關、河源、梅州、潮州、汕頭、揭陽、汕尾、惠州、東莞、珠海、中山、江門、佛山、肇慶、云浮、陽江、茂名、湛江

貴州?。?貴陽、六盤水、遵義、安順

河北省 石家莊、邯鄲、唐山、保定、秦皇島、邢臺、張家口、承德、滄州、廊坊、衡水 。

黑龍江省: 哈爾濱 、齊齊哈爾、黑河、大慶、伊春、鶴崗、佳木斯、雙鴨山、七臺河、雞西、牡丹江、綏化。

河南省: 鄭州、開封、洛陽、平頂山、安陽、鶴壁、新鄉、焦作、濮陽、許昌、漯河、三門峽、南陽、商丘、周口、駐馬店、信陽

湖北?。何錆h、十堰、襄樊、荊門、孝感、黃岡、鄂州、黃石、咸寧、荊州、宜昌、

湖南?。洪L沙、張家界、常德、益陽、岳陽、株洲、湘潭、衡陽、郴州、永州、邵陽、懷化、婁底。

吉林?。洪L春、吉林市、白城、松原、四平、遼源、通化、白山。

江西省: 南昌、九江、景德鎮、鷹潭、新余、萍鄉、贛州、上饒、撫州、宜春、吉安

青海省:西寧、格爾木、德令哈。

廣西壯族自治區: 南寧、桂林、柳州、梧州、貴港、玉林、欽州、北海、防城港、崇左、百色、河池、來賓、賀州。

內蒙古自治區: 呼和浩特、包頭、烏海、赤峰、通遼、

寧夏回族自治區: 銀川、石嘴山、吳忠、中衛、固原

新疆自治區:烏魯木齊、克拉瑪依、石河子、 喀什、阿克蘇 


寧可損失自己的利益 也不提供劣質的產品  每臺設備出廠百分百檢測、試車-新鄉市法斯特機械有限公司  振動篩源頭生產制造服務商

法斯特一家堅持質量為本、誠實做事,用心做好每臺振篩機、讓客戶買的放心、用的舒心振動篩分設備廠家!

   


法斯特有今天的成績離不開全體員工和眾多新老客戶及供應商們的信任與支持,法斯特感謝有您!


有篩分工藝的地方就有法斯特振動篩!篩分無止境-新鄉市法斯特機械有限公司


法斯特機械-振動篩輸送機廠家自營官網平臺簡介

    新鄉市法斯特機械有限公司是集振動篩分設備、過濾篩、無塵投料站、真空上料機、輸送提升、螺旋壓榨機的研發、制造、銷售為一體的實體生產企業,實繳注冊資金,具有增值稅一般納稅人資格(13%),統一社會信用代碼:91410711097903707W,位于中國振動篩分機械設備之都、輕工壓榨機械之鄉-河南省新鄉市,致力于解決篩分、過濾、輸送、壓榨技術難題,是一家民營股份制企業,是新鄉地區技術專業的振動篩制造商和壓榨機制造示范企業,首批國家發改委批復信用試點平臺“守信承諾企業”。

    產品涉及振動篩分機械、過濾機械、輸送機械、輕工機械等四大系列,主要產品有:圓形振動篩、超聲波振動篩、旋振篩、搖擺篩、試驗篩直線篩、直線振動篩直排振動篩、臥式氣旋篩、立式氣流篩、無塵投料站、真空上料機、雙螺旋壓榨機、螺旋輸送機斗式提升機、除梗破碎機、振動篩橡膠配件等。在經歷行業多次洗牌后,法斯特機械以其雄厚的實力、過硬的產品質量和服務,成為客戶回頭率較高的生產企業之一,成為行業的嬌嬌者,也一直被眾多同行企業效仿。     

    法斯特機械憑借高效的管理模式和不斷提高的產品品質,上萬臺設備制造經驗和銷售業績贏得了眾多客戶的支持與厚愛,四大系列產品已經廣泛應用于產品廣泛應用于食品業、化學合成業、塑膠業、樹脂業、中西藥業、油漆涂料業、陶瓷業、金屬粉末礦產冶金業、磨料業、磁性材料業、造紙業、環保業等需要用到篩分、過濾、壓榨工藝的行業。已經與中科院、中石油、中石化、中核工業、中電子、中航工業、華能、質檢所、藥研院、康師傅、盼盼、達利食品、米老頭食品、五得利面粉、首農、歐派、蒂森克虜伯等眾多央企、上市企業、外資公司廣泛合作。

    法斯特機械秉承務實的工作作風,盡力滿足客戶之需求,可為客戶提供篩分、過濾、無塵投料、提升輸送、壓榨脫水等工藝生產線設計,承接標準和非標產品的生產制造。  

    新鄉法斯特開創中國振動篩分、輸送、壓榨過濾新紀元

    致力于解決篩分、輸送、壓榨、過濾等技術領域難題

    24小時咨詢服務熱線:13937345447  13603736976 孟經理    13837347077 郭小姐

    聯系電話:0373-3516365(總機)-801、802、803  3519169     圖文傳真:0373-3519169 

    振動篩規模制造商 外貿振動篩代工基地  中國振動篩批發制造中心  壓榨脫水機典范企業

    振動篩(震動篩)、篩粉機、振動分級篩、過濾機、無塵投料、壓榨機、脫水機、輸送機、提升機一站式生產廠家  

    打造行業精工裝備  服務現代工業經濟 ——新鄉市法斯特機械有限公司

                           



網站首頁 | 網站簡介 | 網站地圖 | 法律聲明 | 聯系我們 | 服務項目 | 篩分通會員 | 廣告合作 | 投訴建議 | 友情鏈接 | 申請友情鏈接
全國統一客服熱線:0371-56727233 振動篩分交流群① 58519197(滿)② 107250318(滿) ③ 87177774(未滿) ④ 35419702(未滿)
© 2007- 中國振動機械網 版權所有 豫ICP備11007950號 增值電信業務經營許可證:豫B2-20190850
客服郵箱: 本站法律顧問:河南光法律師事務所  
中國振動機械網客服:871792307 1321379918 技術:中國振動機械網技術支持:497398702