法斯特一家懂篩分的振動篩制造廠家- 源頭實體工廠 13937345447 歡迎蒞臨指導工作!
三次元振動篩分-過濾機|篩粉機|過濾篩(旋振篩、振動篩分機、圓形振動篩、圓盤振動篩、振蕩篩、振篩機、三維振動篩、三元振動篩、振動篩分儀、電動篩分機、電動篩粉機、過濾篩)—新鄉法斯特機械 質量為本 匠心制造、好篩機—法斯特! 
三次元振動篩分·過濾機(俗稱圓形旋振篩)是一種高精度細粉篩分機械,即可單層粉末除雜、也可多層粒度分級、也可固液分離過濾使用,根據自己需要定制層數即可(可分層自由組合拆裝),是性價比高、一機多用的通用篩選設備。其噪音低、效率高,快速換網需3-5分鐘,全封閉結構,適用于粒、粉、粘液等物料的篩分和過濾。旋振篩是由直立式振動電機做激振源,電機上、下兩端安裝有偏心重錘,將電機的旋轉運動轉變為水平、垂直、傾斜的三次元運動,再通過彈簧的減震助振作用把這個三次元運動傳遞給篩面,通過調節上、下兩端的相位角,可以改變物料在篩面上的運動軌跡,以達到常規、精細、粗略篩分、分級、過濾等使用目的。該篩機換網迅速、篩分精度高、密封性好、粉塵不飛揚、液體不漏漿、篩網不堵網、可單層和多層使用、無需地基安裝的圓形振動篩、旋振篩、三次元振動篩分過濾機。 新鄉法斯特機械是國內自產自銷的旋振篩規模化制造實體廠家,好的制造工藝和先進的加工設備,面向海內外專業制造、批發三次元振動篩、圓形旋振篩、電動篩。法斯特機械圓形振動篩現貨供應、交貨快、產業化量產、質量之選、價格之選、睿智之選。 三次元振動篩分?過濾機,又名S49-A旋振篩、旋震篩、XZS振動篩、LS震動篩、ZS振動篩、三元振動篩、三維振動篩、圓形振動篩、圓振篩、電動篩、SUS304不銹鋼振動篩、SUS316不銹鋼振動篩、多層篩分機、篩粉機、振動過濾機、分級篩、振蕩篩、圓盤振動篩、旋轉振動篩等。 三次元振動篩分過濾機/旋振篩多次技術改進,三次元振動篩分過濾機/旋振篩采用新型推薦動力源(振動電機/震動電機),三維動力更加突出,使三次元振動篩分過濾機/旋振篩應用范圍擴展至:不管干的、濕的、精細的、粗糙的、重的、輕的、0~400目都可以篩分,液體的、漿狀的、0~600目都可以過濾。三次元振動篩分過濾機/旋振篩配有清網裝置,堵網幾率降至較低,從而使篩分速度快、篩分精度高,篩分產量大大提高;而且三次元振動篩分過濾機/旋振篩針對行業有專業獨特設計:如加緣式振動篩、閘門式振動篩、強力型振動篩、密封型振動篩等振動篩,同時有多種網架結構設計,讓顧客對法斯特振動篩有更多的選擇。

FAST一層加緣式振動篩 FAST一層式篩分過濾機 FAST三層多層式篩分過濾機 固液分離模擬圖 單層篩選雜質模擬圖 多層分級篩選模擬圖
 
旋振篩 /三次元振動篩分過濾機作用與原理: 三次元振動篩分過濾機/旋振篩的動力源是振動電機,振動電機轉軸上下端安裝有重錘(不平衡重錘),通過振動電機的旋轉運動在不平衡重錘作用下轉變為水平、垂直、傾斜的三維運動即三次元運動,旋振篩利用振動電機三維運動,通過旋振篩的彈簧和振動體把三維運動傳遞給振動篩網面。通過改變振動電機上下重錘的相位角來實現物料在篩面上的運動軌跡,以此達到篩分、去雜、過濾的目的。

旋振篩/三次元振動篩分過濾機工作特點: * 篩分精度高,效率高,任何粉、粒、粘液類皆可適用。 * 部件無死角,易有效清洗消毒。 * 新型網架結構,篩網使用壽命有效,換網只需3-5分鐘。 * 可單層、多層篩網使用。 * 體積小不占空間,移動方便,出口可以360度任意調整。 * 與物料接觸部分全部采用不銹鋼制作。 * 物料自動排出,可連續作業。 * 全密閉塵不飛揚,液體不泄露,網目不堵塞,篩分可至500目,過濾可達5μm。 旋振篩/三次元振動篩分過濾機應用行業: 旋振篩/振動篩行業分類:食品行業推薦旋振篩、化工行業推薦旋振篩、制藥行業推薦旋振篩、陶瓷行業推薦旋振篩、磨料磨具行業推薦旋振篩、冶金行業推薦旋振篩等 食 品 行 業:面粉、奶粉、淀粉、魚粉、米粉、維生素、調味品、糊精、飲料、果汁、砂糖、醬油、鳳梨汁、酵母液等 化 工 行 業:油漆、樹脂粉、PVC樹脂粉粒、檸檬酸、聚乙烯粉、洗衣粉等 制 藥 行 業:醫藥中間體、醫用輔料、中藥粉、中藥液、西藥粉、西藥液等 陶瓷磨料冶金行業:鋁銀漿、泥漿、高嶺土、石英砂、氧化鋁、人造黑鋁、石墨、碳化硅、噴霧土粒、金剛砂、鐵粉、二氧化鈦、電解銅粉等。
旋振篩/三次元振動篩分過濾機技術配置表: | 型 號 | 功 率(KW) | 篩面直徑 | 體 積 | 網層數 | | 1SFAST-400-2S3S | 0.18 | Φ320mm | 580×580×560580×580×660580×580×760 | 123 | | 1SFAST-600-2S3S | 0.55 | Φ550mm | 800×800×680800×800×780800×800×880 | 123 | | 1SFAST-800-2S3S | 0.75 | Φ750mm | 900×900×780900×900×930900×900×1080 | 123 | | 1SFAST-1000-2S3S | 1.47 | Φ950mm | 1160×1160×8801160×1160×10301160×1160×1180 | 123 | | 1SFAST-1200-2S3S | 1.84 | Φ1150mm | 1360×1360×9801360×1360×11601360×1360×1360 | 123 | | 1SFAST-1500-2S3S | 2.2 | Φ1450mm | 1850×1850×11301850×1850×13301850×1850×1550 | 123 | | 1SFAST-1800-2S3S | 3.0 | Φ1750mm | 2200×2200×13602200×2200×14602200×2200×1680 | 123 |
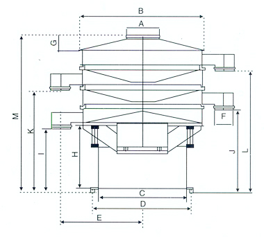
標準旋振篩/三次元振動篩分過濾機尺寸表: 
| 型 號 | A | B | C | D | E | F | G | H | I | J | K | L | L | M | | FAST-400-1S | Φ150 | Φ400 | Φ358 | Φ408 | 310 | Φ100 | 75 | 249 | 257 | 367 |
|
|
| 558 | | FAST-400-2S | Φ150 | Φ400 | Φ358 | Φ408 | 310 | Φ100 | 75 | 249 | 257 | 367 | 477 |
|
| 668 | | FAST-600-1S | Φ150 | Φ600 | Φ426 | Φ476 | 410 | Φ100 | 75 | 354 | 362 | 472 |
|
|
| 668 | | FAST-600-2S | Φ150 | Φ600 | Φ426 | Φ476 | 410 | Φ100 | 75 | 354 | 362 | 472 | 582 |
|
| 778 | | FAST-600-3S | Φ150 | Φ600 | Φ426 | Φ476 | 410 | Φ100 | 75 | 354 | 362 | 472 | 582 | 692 | 692 | 886 | | FAST-800-1S | Φ200 | Φ800 | Φ580 | Φ630 | 530 | Φ125 | 100 | 404 | 412 | 557 |
|
|
| 798 | | FAST-800-2S | Φ200 | Φ800 | Φ580 | Φ630 | 530 | Φ125 | 100 | 404 | 412 | 557 | 702 |
|
| 943 | | FAST-800-3S | Φ200 | Φ800 | Φ580 | Φ630 | 530 | Φ125 | 100 | 404 | 412 | 557 | 702 | 847 | 847 | 1088 | | FAST-1000-1S | Φ250 | Φ970 | Φ700 | Φ750 | 640 | Φ150 | 120 | 466 | 475 | 620 |
|
|
| 880 | | FAST-1000-2S | Φ250 | Φ970 | Φ700 | Φ750 | 640 | Φ150 | 120 | 466 | 475 | 620 | 765 |
|
| 1025 | | FAST-1000-3S | Φ250 | Φ970 | Φ700 | Φ750 | 640 | Φ150 | 120 | 466 | 475 | 620 | 765 | 910 | 910 | 1170 | | FAST-1200-1S | Φ250 | Φ1170 | Φ855 | Φ920 | 750 | Φ180 | 140 | 570 | 595 | 760 |
|
|
| 1045 | | FAST-1200-2S | Φ250 | Φ1170 | Φ855 | Φ920 | 750 | Φ180 | 140 | 570 | 595 | 760 | 925 |
|
| 1210 | | FAST-1200-3S | Φ250 | Φ1170 | Φ855 | Φ920 | 750 | Φ180 | 140 | 570 | 595 | 760 | 925 | 1090 | 1090 | 1375 | | FAST-1500-1S | Φ250 | Φ1470 | Φ1050 | Φ1120 | 960 | Φ200 | 170 | 530 | 555 | 750 |
|
|
| 1090 | | FAST-1500-2S | Φ250 | Φ1470 | Φ1050 | Φ1120 | 960 | Φ200 | 170 | 530 | 555 | 750 | 945 |
|
| 1285 | | FAST-1500-3S | Φ250 | Φ1470 | Φ1050 | Φ1120 | 960 | Φ200 | 170 | 530 | 555 | 750 | 945 | 1140 | 1140 | 1480 | | FAST-1800-1S | Φ300 | Φ1770 | Φ1360 | Φ1430 | 1030 | Φ200 | 200 | 618 | 640 | 835 |
|
|
| 1226 | | FAST-1800-2S | Φ300 | Φ1770 | Φ1360 | Φ1430 | 1030 | Φ200 | 200 | 618 | 640 | 835 | 1030 |
|
| 1420 | | FAST-1800-3S | Φ300 | Φ1770 | Φ1360 | Φ1430 | 1030 | Φ200 | 200 | 618 | 640 | 835 | 1030 | 1225 | 1225 | 1615 |
旋振篩/三次元振動篩標準機型篩分面積對照表:
| 型 號 | 有效直徑 | 有效面積 | FAST-450 | FAST-400 | FAST-600 | FAST-800 | FAST-1000 | FAST-1200 | FAST-1500 | FAST-1800 | | FAST-200 | 200 | 0.0573 | 0.41 | 0.71 | 0.27 | 0.14 | 0.09 | 0.06 | 0.04 | 0.03 | | FAST-450 | 420 | 0.1385 | 1 | 1.72 | 0.65 | 0.34 | 0.22 | 0.15 | 0.09 | 0.06 | | FAST-400 | 320 | 0.0804 | 0.58 | 1 | 0.37 | 0.20 | 0.13 | 0.09 | 0.05 | 0.04 | | FAST-600 | 520 | 0.2124 | 3.7 | 1.53 | 1 | 0.52 | 0.34 | 0.23 | 0.14 | 0.09 | | FAST-800 | 720 | 0.4072 | 2.94 | 5.80 | 1.92 | 1 | 0.65 | 0.44 | 0.27 | 0.18 | | FAST-1000 | 890 | 0.6221 | 4.49 | 7.74 | 2.93 | 1.53 | 1 | 0.66 | 0.41 | 0.28 | | FAST-1200 | 1090 | 0.9331 | 6.74 | 11.60 | 4.40 | 2.92 | 1.50 | 1 | 0.61 | 0.41 | | FAST-1500 | 1390 | 1.5175 | 10.96 | 18.87 | 7.14 | 3.73 | 2.44 | 1.63 | 1 | 0.68 | | FAST-1800 | 1690 | 2.2432 | 16.20 | 27.90 | 10.56 | 5.51 | 3.61 | 2.40 | 1.48 | 1 |
標準型號振動篩現貨供應 、物美價廉、睿智選擇,超市價格廠家直銷,誠征全國各地地市代理商、配套商。 新鄉法斯特 開創中國振動篩分、輸送、壓榨過濾、無塵投料上料新紀元 致力于解決篩分、輸送、壓榨、過濾等技術領域難題 24小時咨詢服務熱線:13937345447 13603736976 孟總 13837347077 郭小姐 聯系電話:0373-3516365(總機)-801、802、803 3519169 圖文傳真:0373-3519169
振動篩規模制造商 外貿振動篩代工基地 振動篩批發制造中心 壓榨脫水機典范制造企業 旋振篩、圓形振動篩、篩粉機、壓榨機、過濾機、輸送機、提升機一條龍生產廠家 打造無塵篩選、輸送提升行業精工裝備 服務現代工業經濟 ——河南省新鄉市法斯特機械有限公司


以下地市均有用到法斯特機械生產的FAST系列振動篩分設備: 直轄市: 北京 重慶 上海 天津 江蘇?。?揚州、南京、徐州、連云港、宿遷、淮安、鹽城、泰州、南通、鎮江、常州、無錫、蘇州。 遼寧?。?沈陽、大連、朝陽、阜新、鐵嶺、撫順、本溪、遼陽、鞍山、丹東、營口、盤錦、錦州、葫蘆島。 山東?。?濟南、青島、聊城、德州、東營、淄博、濰坊、煙臺、威海、日照、臨沂、棗莊、濟寧、泰安、萊蕪、濱州、菏澤。 陜西?。?西安、延安、銅川、渭南、咸陽、寶雞、漢中、榆林、商洛、 山西?。?太原、大同、朔州、陽泉、長治、晉城、忻州、呂梁、晉中、臨汾、運城。 四川省: 成都 、廣元、綿陽、德陽、南充、廣安、遂寧、內江、樂山、自貢、瀘州、宜賓、攀枝花、巴中、達州、資陽、眉山、雅安 。 云南?。?昆明、曲靖、玉溪、麗江、昭通、思茅、臨滄、保山。 浙江省: 杭州、寧波 、湖州、嘉興、舟山、紹興、衢州、金華、臺州、溫州、麗水。安徽: 合肥、宿州、淮北、阜陽、蚌埠、淮南、滁州、馬鞍山、蕪湖、銅陵、安慶、黃山、六安、巢湖、池州、宣城、亳州。 福建省: 廈門、福州、南平、三明、莆田、泉州、漳州、龍巖、寧德。 甘肅省: 蘭州、嘉峪關、金昌、白銀、天水、酒泉、慶陽、平涼、定西、隴南。 廣東?。?廣州、深圳、清遠、韶關、河源、梅州、潮州、汕頭、揭陽、汕尾、惠州、東莞、珠海、中山、江門、佛山、肇慶、云浮、陽江、茂名、湛江 貴州?。?貴陽、六盤水、遵義、安順 河北省 石家莊、邯鄲、唐山、保定、秦皇島、邢臺、張家口、承德、滄州、廊坊、衡水 。 黑龍江?。?哈爾濱 、齊齊哈爾、黑河、大慶、伊春、鶴崗、佳木斯、雙鴨山、七臺河、雞西、牡丹江、綏化。 河南?。?鄭州、開封、洛陽、平頂山、安陽、鶴壁、新鄉、焦作、濮陽、許昌、漯河、三門峽、南陽、商丘、周口、駐馬店、信陽 湖北省:武漢、十堰、襄樊、荊門、孝感、黃岡、鄂州、黃石、咸寧、荊州、宜昌、 湖南省:長沙、張家界、常德、益陽、岳陽、株洲、湘潭、衡陽、郴州、永州、邵陽、懷化、婁底。 吉林?。洪L春、吉林市、白城、松原、四平、遼源、通化、白山。 江西?。?南昌、九江、景德鎮、鷹潭、新余、萍鄉、贛州、上饒、撫州、宜春、吉安 青海?。何鲗?、格爾木、德令哈。 廣西壯族自治區: 南寧、桂林、柳州、梧州、貴港、玉林、欽州、北海、防城港、崇左、百色、河池、來賓、賀州。 內蒙古自治區: 呼和浩特、包頭、烏海、赤峰、通遼、 寧夏回族自治區: 銀川、石嘴山、吳忠、中衛、固原 新疆自治區:烏魯木齊、克拉瑪依、石河子、 喀什、阿克蘇
寧可損失自己的利益 也不提供劣質的產品 遵循:“人叫人,千聲不應;貨叫人,點首而來”商訓 每臺設備出廠百分百檢測、試車-新鄉市法斯特機械有限公司 振動篩源頭生產制造服務商 法斯特一家堅持質量為本、誠實做事,用心做好每臺振篩機、讓客戶買的放心、用的舒心振動篩分設備廠家!
法斯特有今天的成績離不開全體員工和眾多新老客戶及供應商們的信任與支持,法斯特感謝有您!
有篩分工藝的地方就有法斯特振動篩!篩分無止境-新鄉市法斯特機械有限公司
奮斗創造奇跡 法斯特與您一路同行?。?!
|