用戶名: 密碼: 忘記密碼
設為首頁 - 黃金展位 -   企業注冊   個人注冊
中國振動機械行業第一網絡媒體
在線咨詢網站客服
我要搜索:
熱門搜索: 振動篩 谷物清選機 破碎機 旋振篩 直線篩 篩網
超聲波振動篩 振動電機 振動給料機 輸送機 粉碎機 提升機
本站首頁 | 我要采購 | 我要銷售 | 電子樣本 | 品牌企業 | 企業招聘 | 振動機械書籍 | 行業人物 | 市場分析 | 行業設備 | 政策法規 | 企業新聞 | 振動機械 | RSS訂閱
 您當前位置:首頁 >> 產品庫 >> >> YZU振動電機
YZU振動電機

點擊查看大圖
產品名稱:

YZU振動電機

發布日期: 2017-02-17
所在地: 河南新鄉
單價:
關鍵詞:

YZU振動電機[詳細信息]

YZU振動電機是振動篩分機、振動給料機、振動落砂機、振動放礦機等各種振動機械的通用激振源,以其優良的性能廣泛用于煤炭、冶金、礦山、電力、糧食、化工、鑄造、水泥、港口等行業。

YZU振動電機工作原理:

振動電機是動力源與振動源結合為一體的激振源,振動電機是在轉子軸兩端各安裝一組可調偏心塊,利用軸及偏心塊高速旋轉產生的離心力得到激振力。

YZU振動電機主要特點:

1.振動力大,重量輕,體積小,噪音低。
2.強阻型振動,非共振,具有穩定的振幅。
3.可調整振動頻率,任意選擇頻率和振幅。
4.受電壓和電源波動的影響小。
多機組合,可自同步,完成不同工藝要求。
6.維護保養簡單,僅需定期維修軸承。

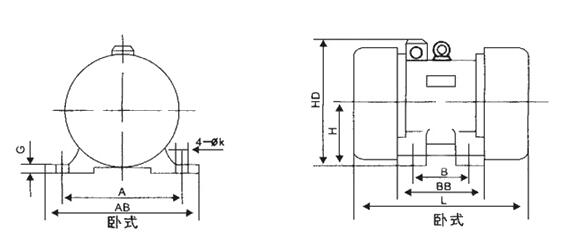
ZYU振動電機數據圖:



聯系人: 吳浩
聯系電話: 0373-3391589
手機: 13503739601
傳真: 0373-3391563
聯系地址: 河南省新鄉市和平路大道北段
電子郵箱: sanli2829@sina.com
注意: 聯系我時請說明是在中國振動機械網上看到的信息
手機掃碼查看該信息
手機掃碼查看該產品
掃碼查看企業手機站點
掃碼查看企業手機站點
找不到想要的產品?
發布一條求購信息,讓產品主動找您!
立即發布求購信息

新鄉市三力振動設備廠更多其它產品

網站首頁 | 網站簡介 | 網站地圖 | 法律聲明 | 聯系我們 | 服務項目 | 篩分通會員 | 廣告合作 | 投訴建議 | 友情鏈接 | 申請友情鏈接
全國統一客服熱線:0371-56727233 振動篩分交流群① 58519197(滿)② 107250318(滿) ③ 87177774(未滿) ④ 35419702(未滿)
© 2007- 中國振動機械網 版權所有 豫ICP備11007950號 增值電信業務經營許可證:豫B2-20190850
客服郵箱: 本站法律顧問:河南光法律師事務所  
中國振動機械網客服:871792307 1321379918 技術:中國振動機械網技術支持:497398702 
發送詢盤
  請輸入您的詢盤信息:

請輸入您的聯系方式:

姓名:

電話:

郵箱: