YZUL立式振動電機是針對振動篩旳運行特性研究設計的一款新型立式電機,可完整升級代替老式振子的振動方式。YZUL系列立式振動電機采用世界上較為先進的單法蘭結構,設計精巧,運行安全可靠,具有很高耐用型,也就是廣受用戶們稱贊的“結實”。
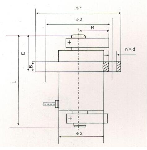
單法蘭振動電機分為兩種,一種是上法蘭令,一種是中法蘭。上法蘭甩力大,常用于過濾振動篩,特別是篩分液體的振動篩。中法蘭激振力大,常用于篩分粉狀物料的振動篩。
單法蘭結構使得立式振動電機安裝維護方便,同時可大大減輕主機重量,減小主機外形尺寸,簡化主機結構,降低主機成本,使得主機對物料的處理量更大。振動電機激振力能在一定范圍內非常容易地進行有級調節,滿足各種作業需求。
YZUL振動電機工作原理:
振動電機是動力源與振動源結合為一體的激振源。振動電機是在轉子軸兩端各安裝一組可調偏心塊,利用軸及偏心塊高速旋轉產生的離心力得到激振力。YZUL系 列振動電機由電機本身運行產生易于調整的水平、垂直、傾斜等方向多元激振力,形成物料的快速平面分散、中心聚集、平面旋轉、三維旋轉等多種運動方式,用于 控制排料速度、處理精度等機械性能指標,以其獨特的結構特點適應于不同的機械對振動源的要求。
YZUL振動電機主要特點:
1.噪音低、能耗低、效率高。
2.體積小、重量輕、啟動迅速。
3.安裝便捷、維護簡單、壽命長。
4.激振力易于無級調整且調節 范圍廣、振動無機械傳導。
YZUL系列立式振動電機使用新型密封技術及進口密封件,大大提高了立式振動電機的防塵防潮能力,產品能在各種具有防塵防潮濕的特點。
主要應用于旋振篩等設備,立式振動電機采用單法蘭結構,使得立式振動電機安裝維護方便,激振力在一定范圍內很容易地進行有級調節,滿足各種作業需求。
YZUL系列振動電機主要特點:
1.噪音低、能耗低、效率高。
2.體積小、重量輕、啟動迅速。
3.安裝便捷、維護簡單、壽命長。
