用戶名: 密碼: 忘記密碼
設為首頁 - 黃金展位 -   企業注冊   個人注冊
中國振動機械行業第一網絡媒體
在線咨詢網站客服
我要搜索:
熱門搜索: 振動篩 谷物清選機 破碎機 旋振篩 直線篩 篩網
超聲波振動篩 振動電機 振動給料機 輸送機 粉碎機 提升機
本站首頁 | 我要采購 | 我要銷售 | 電子樣本 | 品牌企業 | 企業招聘 | 振動機械書籍 | 行業人物 | 市場分析 | 行業設備 | 政策法規 | 企業新聞 | 振動機械 | RSS訂閱
 您當前位置:首頁 >> 行業資訊 >> 企業動態熱門:2021中國(鄭州)國際砂石及尾礦與建筑固廢處理技術展覽會
 

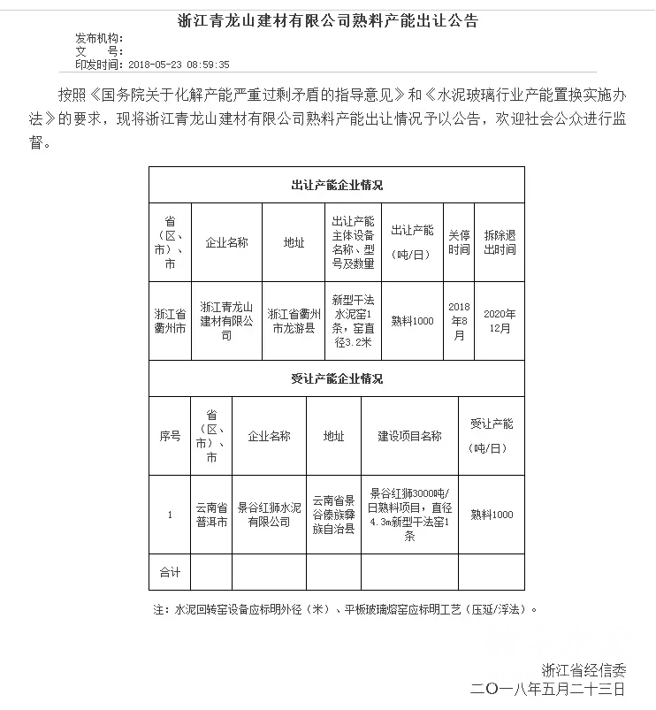
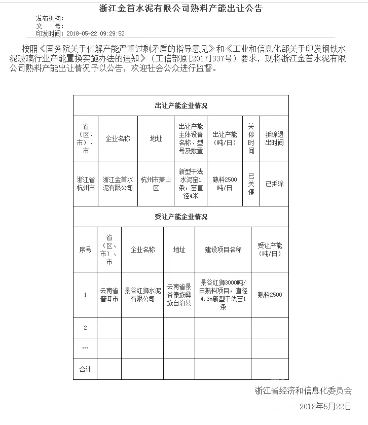
紅獅水泥通過產能置換浙江兩家水泥企業跨省新建3000t/d孰料項目公告

2018-05-24 來源: 中國振動機械網
  日前,浙江省經信委發布了浙江金首水泥有限公司2500t/d和浙江青龍山建材有限公司1000t/d的孰料產能出讓公告,而景谷紅獅水泥有限公司為兩家水泥企業的受讓產能企業,建設項目為景谷紅獅300..

 

日前,浙江省經信委發布了浙江金首水泥有限公司2500t/d和浙江青龍山建材有限公司1000t/d的孰料產能出讓公告,而景谷紅獅水泥有限公司為兩家水泥企業的受讓產能企業,建設項目為景谷紅獅3000t/d熟料項目(直徑4.3m新型干法窯1條)。公告內容如下:

 


本文關鍵詞:

干法窯 孰料產能

責任編輯:曉麗
中國振動機械網版權與免責聲明:(點擊查看)
干法窯 孰料產能 ”更多相關資訊
 · 紅獅水泥通過產能置換浙江兩家水泥企業跨省新建3000t/d孰料項目公告... (2018-05-24)
 · 中國水泥工業服務技術專家高長明-水泥工業必須不斷以綠色環保為核心 去... (2016-02-26)

產品 貿易 企業 資訊 技術 展會  
產品搜索:
熱礦篩 旋振篩 脫水篩 圓振動篩
直線振動篩 氣流篩分機 高效重型篩 200拍擊篩
螺旋輸送機 帶式輸送機 振動輸送機 鏈式輸送機
振動給料機 復式給料機 雙軸攪拌機 振動料斗
振動給煤機 旋振磨 振動磨 渦輪式粉碎機
振動提升機 斗式提升機 垂直提升機 立式振動電機
最新推薦新聞
全面投產邁出關鍵一步!海南儲量約1.2億噸砂石大礦...
國家發改委出手整治 全面叫停招投標地方信用評價!...
中鐵二院研發新專利:機制砂石粉含量精準調控,省...
應急管理部:不斷提升礦山安全治理能力和水平...
1.07元/噸!云南昆明儲量2.2億噸、500萬噸/年砂石...
黃岡市人民政府關于2026年汛期河道和水庫禁止采砂...
總投資超13億!尖峰集團年產300萬噸砂石骨料等兩大...
總成交價達8153萬元!黔西南州三宗金礦探礦權成功...
太鋼嵐縣礦業啟動固廢利用示范項目
嚴控砂石開采量3000萬方/年!海南十五五礦產規劃征...
篩分通誠信企業推薦
  • 重型機械
  • 輕型機械
  • 電機配件
高服機械威猛振動四達振動
神宇機械萬力振動北海礦山
河南萬泰鑫鷹環保宇環機械
志遠篩子王金特振動新鄉威遠
恒錦冶金中鑫機械朝陽振動
高服機械大漢振動篩天和振動篩
力天振動偉良搖擺篩重慶宏展
先臣機械三辰機械恒久振動
鑫達振動興邦機械天惠通用
元升振動廣建機械歐霖佳機械
盾牌篩網眾鑫振動電機新鄉振動電機
通達振動電機明電電氣安泰篩網
金山網業金馬礦機啟航過濾
宏達振動惠寶振動電機宏達煤化設備
寶飛振動電機凡士通彈簧盾發篩網
一周資訊排行
投資超百億!年產2200萬噸骨料!海螺水泥...(04-21)
國務院國資委新設境外國資工作局,對砂石...(04-23)
國際!中鐵七局一碎石生產系統投產...(04-21)
內蒙古地質礦產集團地勘院有限公司正式掛...(04-21)
美卓升級骨料數字化服務組合,助力客戶提...(04-23)
必和必拓:已與中國礦產資源集團完成鐵礦...(04-22)
礦山生產怎樣在發展與保護之間找到平衡?...(04-23)
紫金礦業一季度歸母凈利201億比增98%...(04-23)
聚焦建材產業生態共建!海螺集團與中國建...(04-23)
7.3元/噸!安徽銅陵起始價8600萬元的砂石...(04-23)
網站首頁 | 網站簡介 | 網站地圖 | 法律聲明 | 聯系我們 | 服務項目 | 篩分通會員 | 廣告合作 | 投訴建議 | 友情鏈接 | 申請友情鏈接
全國統一客服熱線:0371-56727233 振動篩分交流群① 58519197(滿)② 107250318(滿) ③ 87177774(未滿) ④ 35419702(未滿)
© 2007- 中國振動機械網 版權所有 豫ICP備11007950號 增值電信業務經營許可證:豫B2-20190850
客服郵箱: 本站法律顧問:河南光法律師事務所  
中國振動機械網客服:871792307 1321379918 技術:中國振動機械網技術支持:497398702