D38 鋁鑄件壓力風機

Chicago Blower 的新系列鑄鋁壓力鼓風機滿足了從空氣助燃到煙塵控制再到食品加工的各種高壓應用需求。
滿足嚴苛的工業環境
芝加哥將鋁與高強度合金混合在一起,形成堅固、無腐蝕的外殼和葉輪;鋁還可以承受低于零的環境而不會出現材料劣化;由于鋁是無磁性且無毒的,也同樣避免了風機本體對于工業的污染;無火花特性使芝加哥的壓力鼓風機符合 AMCA B 型耐火花等級;所以此類D38風機非常適合運用在食品包裝、電子工業、空氣助燃和粉塵控制等領域。
滿足不同需求風量及壓力要求
芝加哥D38是一款新設計的鑄鋁材料的壓力風機,它填補了不同需要的高壓要求,Chicago 的 Design 38 鑄鋁壓力鼓風機提供從 8 英寸到 18-1/2 英寸wg 靜壓的 8 種不同尺寸風機,如: S800, S900, S1000, S1200, S1400, S1500, S1800, S1829,涵蓋范圍從50CFM 至 5000 CFM 的流量,并且已經在 AMCA 認證的實驗室中進行了性能驗證。
最大風量 6800M3/H
最大靜壓: 5KPa
最大承受溫度 93℃
風機尺寸 203mm to 470mm
滿足靈活及多樣的配置要求

可直連也可皮帶驅動,可原裝進口也可大批量進行本地化。
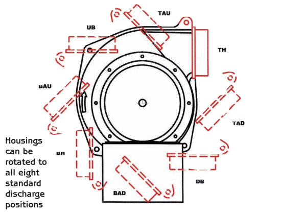
使用直連驅動最高可配合24葉片以滿足工況要求,帶側板的可拆卸機架不僅方便安裝,也容易清潔,徑向葉片及后傾向葉輪多種配置,進/出風口可逆且有8個排風位置。

2011年8月1日,卓爾能與美國芝加哥風機簽署協議, 成為芝加哥風機在中國地區的獨家授權工廠,這也是芝加哥風機在全球的第29家授權工廠。
美國芝加哥風機(CHICAGO BLOWER)成立于1947年,是世界排名第一的專業工業風機制造商,其產品廣泛應用于供暖設備,通風設備,空調,污染處理等項目和設備,在全球一些標志型建筑及地標性建筑中,處處能見到芝加哥風機的身影,例如美國五角大樓,澳大利亞悉尼歌劇院,馬來西亞雙子塔,芝加哥高架軌道交通,美國聯合航空公司,北京首都機場等等。